Do-It-Yourself Rotary Interface Project

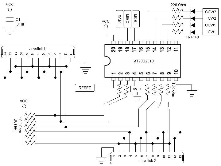
After acquiring 2 LS-30 rotary joysticks, I needed a way to hook them up. I did not want to use up 24 inputs on a keyboard encoder so I went with the clockwise (CW) counter-clockwise (CCW) approach. I could have easily purchased an interface board from Druin  for $45 plus $5 shipping. However, I had already strained my budget buying 2 new LS-30's from Video Connect for about $100 after I had to pay additional shipping when the first joystick they sent me was defective. Therefore, I built my own interface. It only cost $7.62 to build the interface, plus an additional $1.15 to build an AVR In-System Programming (ISP) cable. I wrote the software for the AVR chip using Bascom-AVR from MCS Electronics. I'm a computer programmer, so the Bascom basic was very intuitive. This was the first time I had worked with programmable microchips and I was amazed by what they can do.

The first proto-type:

The back side (sloppy, I should have etched the board):

Parts  Price  QTY  Total  Notes
Perf Board  $    1.83 1  $    1.83 Radio Shack
Right Angle SIP IDC Header 20 Pin  $    0.25 2  $    0.50 Cut to 13 pin & 2 pin and 13 pin & 4 pin
Straight DIP IDC Header 10 Pin  $        -   1  $        -   From dead 386 motherboard
Atmel AT90S2313-10PI AVR  $    2.70 1  $    2.70 Purchased on Ebay
High Reliability 25 Pin  SIP Socket  $    0.50 1  $    0.50 Cut to 10 pin, 10 pin, 2 pin & 1pin
4 MHz 3 Pin Resonator  $    1.00 1  $    1.00 All Electronics
10K Ohm Resistor 8 Pin Bussed SIP  $    0.25 1  $    0.25 All Electronics
10K Ohm Resistor  $    0.05 6  $    0.30 All Electronics
220 Ohm Resistor  $    0.05 4  $    0.20 All Electronics
1N4148 Diode  $    0.06 4  $    0.24 All Electronics
.01 uF Capacitor  $    0.10 1  $    0.10 All Electronics 
Total Cost for Rotary Interface  $    7.62

Here are the schematics: